कन्वेयर रोलर संचित स्टील sprokcet विधानसभा
कन्वेयर रोलर जमा करने के लिए स्टील स्प्रोकेट, सीOmpare to Polymer Sprocket, Steel Sprocket अधिक टिकाऊ है। इसका मिलान बहुलक असर आवास या स्टील असर आवास से किया जा सकता है। विभिन्न रोलर काम करने की स्थिति के लिए विभिन्न आयाम और सामग्री।
विशेष विवरण
| ट्यूब आउट व्यास | ट्यूब मोटाई | शाफ्ट परिधि | स्प्रॉकेट मॉडल | सामग्री | सतह का उपचार |
| Φ50 | 1.2/1.5/2.0 | Φ12/215 | 06 बी/08 बी | #45 स्टील, SS304 | सख्त, ऑक्सीकरण |
| Φ60 | 1.5/2.0/2.5/3.0 | Φ12/φ15/φ20 | 08 बी | #45 स्टील, SS304 | सख्त, ऑक्सीकरण |
| Φ76 | 2.0/2.5/3.0/3.5 | Φ12/φ15/φ20/φ25 | 08 बी/10 ए | #45 स्टील, SS304 | सख्त, ऑक्सीकरण |
नोट्स: सिंगल-पंक्ति या डबल-पंक्ति स्प्रोकेट असेंबली अवैध है।
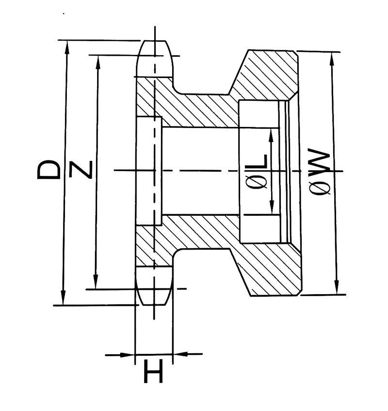
2 डी ड्राइंग

इमेजिस


अनुप्रयोग

कन्वेयर रोलर संचित स्टील sprokcet विधानसभा
कन्वेयर रोलर जमा करने के लिए स्टील स्प्रोकेट, सीOmpare to Polymer Sprocket, Steel Sprocket अधिक टिकाऊ है। इसका मिलान बहुलक असर आवास या स्टील असर आवास से किया जा सकता है। विभिन्न रोलर काम करने की स्थिति के लिए विभिन्न आयाम और सामग्री।
विशेष विवरण
| ट्यूब आउट व्यास | ट्यूब मोटाई | शाफ्ट परिधि | स्प्रॉकेट मॉडल | सामग्री | सतह का उपचार |
| Φ50 | 1.2/1.5/2.0 | Φ12/215 | 06 बी/08 बी | #45 स्टील, SS304 | सख्त, ऑक्सीकरण |
| Φ60 | 1.5/2.0/2.5/3.0 | Φ12/φ15/φ20 | 08 बी | #45 स्टील, SS304 | सख्त, ऑक्सीकरण |
| Φ76 | 2.0/2.5/3.0/3.5 | Φ12/φ15/φ20/φ25 | 08 बी/10 ए | #45 स्टील, SS304 | सख्त, ऑक्सीकरण |
नोट्स: सिंगल-पंक्ति या डबल-पंक्ति स्प्रोकेट असेंबली अवैध है।
2 डी ड्राइंग

इमेजिस


अनुप्रयोग
