| उपलब्धता स्थिति: | |
|---|---|
| मात्रा: | |
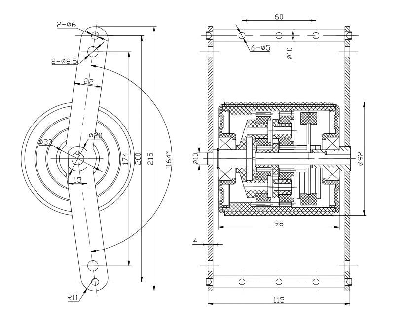
बीई92
RONWIN
HS Code: 8431390000
पैलेटों के लिए मध्यम/भारी शुल्क बाहरी ब्रेक रोलर
ग्रेविटी रैक में स्पीड रिड्यूसर / स्पीड कंट्रोलर, जिन्हें ब्रेक रोलर्स के रूप में भी जाना जाता है, लोड पैलेट्स को फिसलने से गुरुत्वाकर्षण को तेज होने से रोकते हैं, रैक पर पैलेट्स की स्थिर और सुचारू गति प्रदान करते हैं, और ऑपरेटरों और सामानों की सुरक्षा की रक्षा करते हैं। विभिन्न भारों के अनुसार स्वयं-समायोजित, निरंतर ब्रेकिंग बल, कोई रखरखाव नहीं, और कोई ऊर्जा उपयोग नहीं।
BE92 डंपिंग रोलर और BE120 मॉडल के बीच मुख्य अंतर भौतिक आयामों और भार-वहन क्षमता के व्युत्क्रम मिलान में निहित है, अर्थात, BE92 का बाहरी व्यास छोटा है लेकिन भार-वहन क्षमता मजबूत है, जबकि BE120 का बाहरी व्यास बड़ा है लेकिन भार-वहन सीमा कम है।
विशिष्ट अंतर इस प्रकार हैं:
आयाम:
बीई92: बाहरी व्यास आमतौर पर 92 मिमी है, जो छोटे-व्यास श्रेणी से संबंधित है।
बीई120: बाहरी व्यास आमतौर पर 120 मिमी है, जो बड़े-व्यास श्रेणी से संबंधित है।
भार क्षमता:
बीई92: 1000-1500 किलोग्राम (1.0-1.5 टन) वजन वाले भारी सामान के लिए उपयुक्त।
बीई120: 200-1000 किलोग्राम (0.2-1.0 टन) वजन वाले मध्यम वजन के सामान के लिए उपयुक्त।


BE92 विशेषताएं और चयन तर्क:
अधिक स्थान उपयोग: यद्यपि BE92 का व्यास छोटा है (जिसका अर्थ आमतौर पर कम स्थापना ऊंचाई है), यह भारी सामान ले जा सकता है।
संरचनात्मक अंतर: यह 'छोटा आकार, बड़ी ताकत' विशेषता आम तौर पर आंतरिक भिगोना तंत्र (उदाहरण के लिए, केन्द्रापसारक या घर्षण पैड डिजाइन) में अंतर से आती है। 1.5 टन भार को संभालने के लिए, BE92 की आंतरिक ब्रेकिंग बल और संरचनात्मक ताकत को मजबूत किया जाता है।
स्थापना संबंधी विचार: क्योंकि बाहरी व्यास अलग-अलग हैं, गुरुत्वाकर्षण रैक पर बढ़ते छेद की स्थिति और रोलर रिक्ति दो मॉडलों के बीच विनिमेय नहीं हैं। यदि सामान का वजन लगभग 1000 किलोग्राम है, तो दोनों मॉडल ओवरलैप हो सकते हैं; हालाँकि, उचित गति नियंत्रण सुनिश्चित करने के लिए, रेटेड सीमा का सख्ती से पालन करने की सिफारिश की जाती है - BE120 को ओवरलोड करने या हल्के भार के साथ BE92 का उपयोग करने से बचें, जो अत्यधिक प्रतिरोध के कारण 'चिपकने' का कारण बन सकता है।
सरल शब्दों में, चयन का मुख्य आधार सामान का वजन है: भारी सामान के लिए छोटे व्यास वाला BE92 चुनें, और हल्के सामान के लिए बड़े व्यास वाला BE120 चुनें।
आयाम एवं विशिष्टताएँ

सामान

| नमूना | वस्तु का वजन |
| बीई92/बीए | 1000-1500 किग्रा |
लकड़ी के फूस, प्लास्टिक के फूस, कार्य डिब्बे आदि के लिए उपयुक्त।

आवेदन

