| उपलब्धता स्थिति: | |
|---|---|
| मात्रा: | |
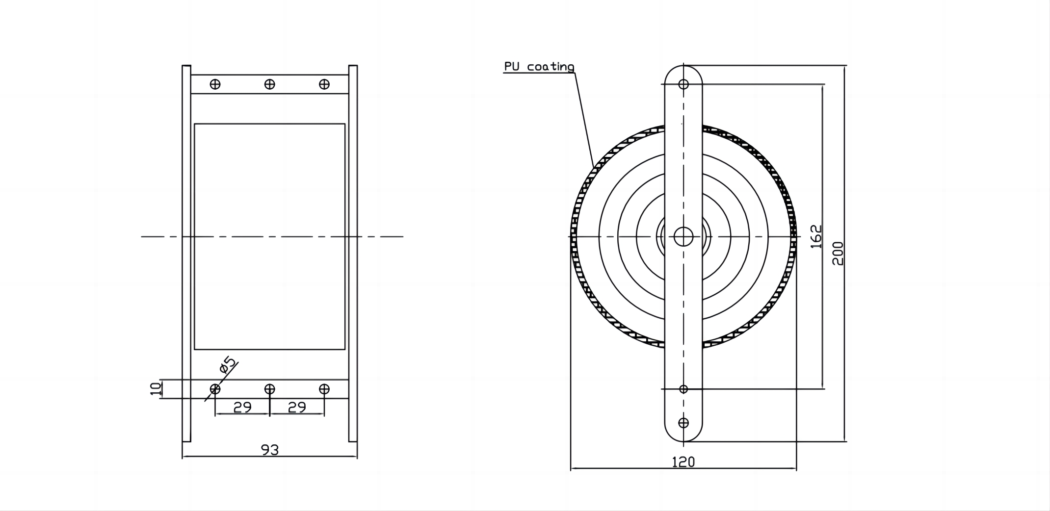
बीई120
RONWIN
HS Code: 8431390000
पैलेटों के लिए मध्यम/भारी शुल्क बाहरी ब्रेक रोलर
ग्रेविटी रैक में स्पीड रिड्यूसर / स्पीड कंट्रोलर, जिन्हें ब्रेक रोलर्स के रूप में भी जाना जाता है, लोड पैलेट्स को फिसलने से गुरुत्वाकर्षण को तेज होने से रोकते हैं, रैक पर पैलेट्स की स्थिर और सुचारू गति प्रदान करते हैं, और ऑपरेटरों और सामानों की सुरक्षा की रक्षा करते हैं। विभिन्न भारों के अनुसार स्वयं-समायोजित, निरंतर ब्रेकिंग बल, कोई रखरखाव नहीं, और कोई ऊर्जा उपयोग नहीं।
हमने पिछले दस वर्षों में दो प्रकार के ब्रेक रोलर उपलब्ध कराए हैं (आंतरिक और बाहरी)। कई परियोजनाओं में, हमने ग्रेविटी रैक को ब्रेक रोलर्स (गति नियंत्रण) की आपूर्ति की है। कई वर्षों से, हमारे संरक्षकों ने हमारे निरंतर और भरोसेमंद प्रदर्शन की सराहना की है।
हम ग्राहकों की प्रतिक्रिया और ऑन-साइट अध्ययन के आधार पर डिज़ाइन और घटकों में लगातार सुधार कर रहे हैं। हम 200-1500 किलोग्राम वजन वाले पैलेटों के लिए न केवल मध्यम और भारी संस्करण प्रदान कर सकते हैं, बल्कि 10-100 किलोग्राम वजन वाले हल्के मॉडल भी प्रदान कर सकते हैं।
आयाम एवं विशिष्टताएँ

सामान

| नमूना | वस्तु का वजन |
| बीई120/एए | 200-500 किग्रा |
| बीई120/बीए | 500-1000 किग्रा |
लकड़ी के फूस, प्लास्टिक के फूस, कार्य डिब्बे आदि के लिए उपयुक्त।


आवेदन
