RONWIN
औद्योगिक विद्युत पारेषण और परिवहन के क्षेत्र में, उपकरण स्थिरता और स्थायित्व उत्पादन दक्षता सुनिश्चित करने के लिए महत्वपूर्ण हैं। हमें कन्वेयर रोलर के लिए स्टील बियरिंग एंड कैप असेंबली पेश करने पर गर्व है। विशेष रूप से स्टील रोलर्स के साथ मांग वाले अनुप्रयोगों के लिए डिज़ाइन किए गए, वे प्लास्टिक असर इकाइयों को बदलने के लिए आदर्श समाधान हैं, जो अद्वितीय मजबूती और व्यापक प्रयोज्यता प्रदान करते हैं।
यह उत्पाद एक पूर्ण, रेडी-टू-इंस्टॉल बियरिंग समाधान है, जिसमें तीन मुख्य घटक शामिल हैं।
मुद्रांकित इस्पात आवास: उच्च शक्ति वाली स्टील प्लेट से निर्मित, यह संरचनात्मक रूप से मजबूत है और प्रभावी ढंग से प्रभाव और विरूपण का प्रतिरोध करता है।
सीलबंद अंत कैप: प्रभावी रूप से धूल और प्रदूषकों के प्रवेश को रोकता है, आंतरिक बीयरिंग की सेवा जीवन को बढ़ाता है।
परिशुद्धता बॉल बेयरिंग: उत्कृष्ट घूर्णी सटीकता प्रदान करते हुए, रोलर का सुचारू, कम शोर, कम घर्षण वाला घुमाव सुनिश्चित करता है।
ऑल-स्टील निर्माण अत्यधिक उच्च यांत्रिक शक्ति प्रदान करता है, जो इसे प्लास्टिक असर इकाइयों से कहीं अधिक रेडियल और अक्षीय भार का सामना करने में सक्षम बनाता है। चाहे लगातार भारी भार के तहत या झटके और कंपन के साथ अपरिहार्य वातावरण में, यह स्थिर रहता है, प्रभावी ढंग से आवास विफलता के कारण होने वाले डाउनटाइम को रोकता है।
इसके मजबूत स्टील हाउसिंग और सटीक आंतरिक बॉल बेयरिंग के कारण भारी भार को संभालने के लिए डिज़ाइन किया गया है। यह हेवी-ड्यूटी कन्वेयर लाइनों और विभिन्न संचालित रोलर अनुप्रयोगों पर सामग्री प्रबंधन की मांगों को आसानी से पूरा करता है, और विश्वसनीय समर्थन प्रदान करता है।
स्टील सामग्री इसे प्लास्टिक की तुलना में तापमान में उतार-चढ़ाव के प्रति बहुत कम संवेदनशील बनाती है। यह उच्च और निम्न परिवेश के तापमान दोनों में स्थिर प्रदर्शन बनाए रखता है, विभिन्न चरम स्थितियों के लिए उपयुक्त है जहां प्लास्टिक बीयरिंग नरम हो सकते हैं या भंगुर हो सकते हैं, जिससे उपकरण अनुप्रयोग रेंज का विस्तार होता है।
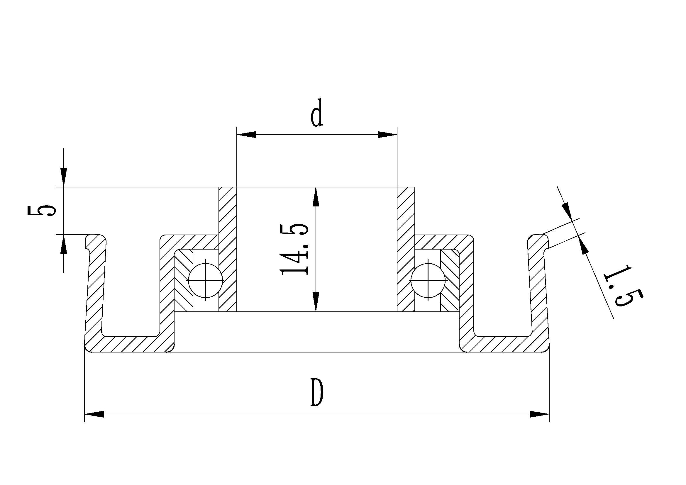
इस असर इकाई को स्टील रोलर्स के लिए आमतौर पर उपयोग किए जाने वाले दो उद्योग विनिर्देशों के साथ पूरी तरह से संगत होने के लिए सावधानीपूर्वक डिज़ाइन किया गया है, जो लचीले कॉन्फ़िगरेशन विकल्प प्रदान करता है।
2डी ड्राइंग

रोलर ट्यूब दीवार की मोटाई और मिलान शाफ्ट नीचे दिए गए विनिर्देश चार्ट के अनुसार हैं।
| ट्यूब आउट व्यास (मिमी) | ट्यूब दीवार की मोटाई (मिमी) | शाफ़्ट व्यास (मिमी) | सामग्री |
| Φ50 | 1.2/1.5/2.0 | Φ12/Φ15 | कार्बन स्टील, स्टेनलेस स्टील |
| Φ57 | 1.5/2.0/2.5 | Φ12/Φ15 | कार्बन स्टील, स्टेनलेस स्टील |
नोट: विभिन्न डिज़ाइन आवश्यकताओं को पूरा करने के लिए अन्य विशिष्टताएँ उपलब्ध हैं।
हेवी-ड्यूटी बेल्ट कन्वेयर, रोलर कन्वेयर।
भंडारण और रसद छँटाई प्रणाली।
कृषि मशीनरी, मुद्रण उपकरण, पैकेजिंग मशीनरी।
विभिन्न औद्योगिक उपकरणों के लिए उच्च-भार, लंबे जीवन वाले रोलर्स की आवश्यकता होती है
जब आपका अनुप्रयोग प्लास्टिक बियरिंग की सीमा से अधिक हो जाता है - चाहे वह वजन, प्रभाव, या तापमान हो - स्टील बियरिंग यूनिट इष्टतम विकल्प है। यह सिर्फ एक घटक नहीं है, बल्कि आपके उपकरण के लिए निरंतर संचालन, कम रखरखाव और बढ़ी हुई समग्र विश्वसनीयता** में एक निवेश है।
अपने मुख्य उपकरणों को अविनाशी, मजबूत प्रदर्शन के साथ सशक्त बनाने के लिए अभी स्टील बियरिंग यूनिट चुनें!
अनुकूल अनुस्मारक: स्थापना से पहले, कृपया सुनिश्चित करें कि रोलर दीवार की मोटाई पर्याप्त समर्थन शक्ति और थ्रेड जुड़ाव की गारंटी के लिए आवश्यकताओं को पूरा करती है।
छवियाँ



औद्योगिक विद्युत पारेषण और परिवहन के क्षेत्र में, उपकरण स्थिरता और स्थायित्व उत्पादन दक्षता सुनिश्चित करने के लिए महत्वपूर्ण हैं। हमें कन्वेयर रोलर के लिए स्टील बियरिंग एंड कैप असेंबली पेश करने पर गर्व है। विशेष रूप से स्टील रोलर्स के साथ मांग वाले अनुप्रयोगों के लिए डिज़ाइन किए गए, वे प्लास्टिक असर इकाइयों को बदलने के लिए आदर्श समाधान हैं, जो अद्वितीय मजबूती और व्यापक प्रयोज्यता प्रदान करते हैं।
यह उत्पाद एक पूर्ण, रेडी-टू-इंस्टॉल बियरिंग समाधान है, जिसमें तीन मुख्य घटक शामिल हैं।
मुद्रांकित इस्पात आवास: उच्च शक्ति वाली स्टील प्लेट से निर्मित, यह संरचनात्मक रूप से मजबूत है और प्रभावी ढंग से प्रभाव और विरूपण का प्रतिरोध करता है।
सीलबंद अंत कैप: प्रभावी रूप से धूल और प्रदूषकों के प्रवेश को रोकता है, आंतरिक बीयरिंग की सेवा जीवन को बढ़ाता है।
परिशुद्धता बॉल बेयरिंग: उत्कृष्ट घूर्णी सटीकता प्रदान करते हुए, रोलर का सुचारू, कम शोर, कम घर्षण वाला घुमाव सुनिश्चित करता है।
ऑल-स्टील निर्माण अत्यधिक उच्च यांत्रिक शक्ति प्रदान करता है, जो इसे प्लास्टिक असर इकाइयों से कहीं अधिक रेडियल और अक्षीय भार का सामना करने में सक्षम बनाता है। चाहे लगातार भारी भार के तहत या झटके और कंपन के साथ अपरिहार्य वातावरण में, यह स्थिर रहता है, प्रभावी ढंग से आवास विफलता के कारण होने वाले डाउनटाइम को रोकता है।
इसके मजबूत स्टील हाउसिंग और सटीक आंतरिक बॉल बेयरिंग के कारण भारी भार को संभालने के लिए डिज़ाइन किया गया है। यह हेवी-ड्यूटी कन्वेयर लाइनों और विभिन्न संचालित रोलर अनुप्रयोगों पर सामग्री प्रबंधन की मांगों को आसानी से पूरा करता है, और विश्वसनीय समर्थन प्रदान करता है।
स्टील सामग्री इसे प्लास्टिक की तुलना में तापमान में उतार-चढ़ाव के प्रति बहुत कम संवेदनशील बनाती है। यह उच्च और निम्न परिवेश के तापमान दोनों में स्थिर प्रदर्शन बनाए रखता है, विभिन्न चरम स्थितियों के लिए उपयुक्त है जहां प्लास्टिक बीयरिंग नरम हो सकते हैं या भंगुर हो सकते हैं, जिससे उपकरण अनुप्रयोग रेंज का विस्तार होता है।
इस असर इकाई को स्टील रोलर्स के लिए आमतौर पर उपयोग किए जाने वाले दो उद्योग विनिर्देशों के साथ पूरी तरह से संगत होने के लिए सावधानीपूर्वक डिज़ाइन किया गया है, जो लचीले कॉन्फ़िगरेशन विकल्प प्रदान करता है।
2डी ड्राइंग

रोलर ट्यूब दीवार की मोटाई और मिलान शाफ्ट नीचे दिए गए विनिर्देश चार्ट के अनुसार हैं।
| ट्यूब आउट व्यास (मिमी) | ट्यूब दीवार की मोटाई (मिमी) | शाफ़्ट व्यास (मिमी) | सामग्री |
| Φ50 | 1.2/1.5/2.0 | Φ12/Φ15 | कार्बन स्टील, स्टेनलेस स्टील |
| Φ57 | 1.5/2.0/2.5 | Φ12/Φ15 | कार्बन स्टील, स्टेनलेस स्टील |
नोट: विभिन्न डिज़ाइन आवश्यकताओं को पूरा करने के लिए अन्य विशिष्टताएँ उपलब्ध हैं।
हेवी-ड्यूटी बेल्ट कन्वेयर, रोलर कन्वेयर।
भंडारण और रसद छँटाई प्रणाली।
कृषि मशीनरी, मुद्रण उपकरण, पैकेजिंग मशीनरी।
विभिन्न औद्योगिक उपकरणों के लिए उच्च-भार, लंबे जीवन वाले रोलर्स की आवश्यकता होती है
जब आपका अनुप्रयोग प्लास्टिक बियरिंग की सीमा से अधिक हो जाता है - चाहे वह वजन, प्रभाव, या तापमान हो - स्टील बियरिंग यूनिट इष्टतम विकल्प है। यह सिर्फ एक घटक नहीं है, बल्कि आपके उपकरण के लिए निरंतर संचालन, कम रखरखाव और बढ़ी हुई समग्र विश्वसनीयता** में एक निवेश है।
अपने मुख्य उपकरणों को अविनाशी, मजबूत प्रदर्शन के साथ सशक्त बनाने के लिए अभी स्टील बियरिंग यूनिट चुनें!
अनुकूल अनुस्मारक: स्थापना से पहले, कृपया सुनिश्चित करें कि रोलर दीवार की मोटाई पर्याप्त समर्थन शक्ति और थ्रेड जुड़ाव की गारंटी के लिए आवश्यकताओं को पूरा करती है।
छवियाँ


