
यह उत्पाद संचालित रोलर कन्वेयर सिस्टम में मुख्य ड्राइविंग घटक है। यह एक कार्यात्मक मॉड्यूल है जो एक स्टील स्प्रोकेट को उच्च शक्ति, उच्च परिशुद्धता तरीके से एक कन्वेयर रोलर के शाफ्ट अंत के साथ एकीकृत करता है। इसका मुख्य कार्य कुशलतापूर्वक और विश्वसनीय रूप से ड्राइव श्रृंखला द्वारा प्रेषित शक्ति को रोलर की घूर्णी गति में परिवर्तित करना है, जिससे कन्वेयर बेल्ट या सीधे प्रोपेलिंग सामग्री को चलाया जा सके।

स्टील स्प्रोकेट और ट्यूब वेल्डिंग प्रक्रिया के उपयोग से, रोलर्स अब अधिक टॉर्क संचारित कर सकते हैं और भारी भार के साथ पैलेटों का परिवहन कर सकते हैं। एक सटीक बॉल बेयरिंग इकाई पॉलिमर बेयरिंग इकाई की तुलना में अधिक वजन का समर्थन कर सकती है क्योंकि यह स्टील हाउसिंग में प्रभाव से कसकर और मजबूती से बंधी होती है।
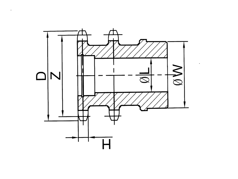
| ट्यूब आउट व्यास | ट्यूब की मोटाई | शाफ़्ट व्यास | स्प्रोकेट मॉडल | सामग्री | सतह का उपचार |
| Φ38 | 1.2/1.5/2.0 | Φ12/Φ15 | 06बी/08बी | #45 स्टील, एसएस304 | सख्त होना, ऑक्सीकरण |
| Φ50 | 1.2/1.5/2.0 | Φ12/Φ15 | 06बी/08बी | #45 स्टील, एसएस304 | सख्त होना, ऑक्सीकरण |
| Φ60 | 1.5/2.0/2.5/3.0 | Φ12/Φ15/Φ20 | 08बी | #45 स्टील, एसएस304 | सख्त होना, ऑक्सीकरण |
| Φ76 | 2.0/2.5/3.0/3.5 | Φ12/Φ15/Φ20/Φ25 | 08बी/10ए | #45 स्टील, एसएस304 | सख्त होना, ऑक्सीकरण |
| Φ89 | 3.0/3.5/4.0 | Φ12/Φ15/Φ20/Φ25 | 10ए | #45 स्टील, एसएस304 | सख्त होना, ऑक्सीकरण |
टिप्पणियाँ: सिंगल-पंक्ति या डबल-पंक्ति स्प्रोकेट असेंबली उपलब्ध है।
यह असेंबली एक मानकीकृत या अनुकूलित कनेक्शन इकाई है जिसे विशेष रूप से औद्योगिक संदेश अनुप्रयोगों के लिए डिज़ाइन किया गया है। इसकी विशिष्ट संरचना में शामिल हैं:
स्टील स्प्रोकेट: असेंबली का मुख्य विशेषता घटक। यह आमतौर पर फोर्जिंग और मशीनिंग के माध्यम से उच्च गुणवत्ता वाले कार्बन स्टील या मिश्र धातु स्टील (जैसे, 45 # स्टील, 40 सीआर) से बनाया जाता है। दांत प्रोफ़ाइल की सटीक गणना की जाती है (उदाहरण के लिए, एएनएसआई या आईएसओ मानकों के अनुरूप) और गर्मी उपचार (शमन और तड़का) से गुजरता है, जिससे दांत की सतह को उच्च कठोरता (एचआरसी 40-55) और उत्कृष्ट पहनने और प्रभाव प्रतिरोध मिलता है।
रोलर कनेक्शन अंत: रोलर शाफ्ट अंत के डिज़ाइन के आधार पर, मुख्य कनेक्शन विधियों में शामिल हैं:
कुंजी कनेक्शन: सबसे पारंपरिक और विश्वसनीय तरीका। एक की-वे को स्प्रोकेट हब में मशीनीकृत किया जाता है, और टॉर्क को रोलर शाफ्ट पर संबंधित की-वे के साथ जोड़कर एक समानांतर कुंजी या वुड्रफ कुंजी के माध्यम से प्रेषित किया जाता है। सेट स्क्रू का उपयोग अक्सर अतिरिक्त अक्षीय निर्धारण के लिए किया जाता है।
टेपर-लॉक (बुशिंग) कनेक्शन: एक अधिक आधुनिक, बिना चाबी कनेक्शन विधि। स्प्रोकेट हब में एक पतला बोर होता है जो डबल-शंकु लोचदार झाड़ी से मेल खाता है। उच्च शक्ति वाले बोल्टों को कसने से झाड़ी रेडियल रूप से विस्तारित हो जाती है, जिससे स्प्रोकेट हब और रोलर शाफ्ट के बीच अत्यधिक स्थैतिक घर्षण पैदा होता है। यह एक उच्च-टोक़, उच्च-संकेंद्रितता, शून्य-बैकलैश कनेक्शन प्राप्त करता है और छोटी मशीनिंग सहनशीलता की भरपाई कर सकता है।
निकला हुआ किनारा कनेक्शन: हेवी-ड्यूटी अनुप्रयोगों के लिए, स्प्रोकेट को सीधे रोलर के अंतिम चेहरे पर वेल्डेड ड्राइव निकला हुआ किनारा पर बोल्ट किया जा सकता है।
एकीकृत डिज़ाइन: कुछ डिज़ाइनों में, स्प्रोकेट को बेयरिंग हाउसिंग, सीलिंग संरचना, या यहां तक कि एक पूर्ण रोलर एंड कैप के साथ एकीकृत किया जाता है, जिससे अधिक आसानी से स्थापित करने योग्य और रखरखाव योग्य "ड्राइव एंड असेंबली" बनती है।

कुशल पावर ट्रांसमिशन: स्टील स्प्रोकेट ड्राइव चेन (जैसे, रोलर चेन) के साथ कसकर चिपक जाता है, जिससे उच्च ट्रांसमिशन दक्षता और न्यूनतम ऊर्जा हानि सुनिश्चित होती है।
उच्च भार क्षमता और विश्वसनीयता: स्टील सामग्री और गर्मी उपचार प्रक्रिया यह सुनिश्चित करती है कि असेंबली सिस्टम स्टार्ट-स्टॉप चक्र और लोड विविधताओं के कारण होने वाले झटके भार और निरंतर वैकल्पिक भार का सामना कर सके। इसकी विश्वसनीयता प्लास्टिक या कच्चे लोहे के स्प्रोकेट से कहीं बेहतर है।
सटीक सिंक्रोनाइजेशन: सटीक टूथ प्रोफाइल मशीनिंग और मजबूत कनेक्शन विधियां कई रोलर्स के बीच सिंक्रोनाइजेशन की गारंटी देती हैं, जो सामग्री के गलत संरेखण को रोकने और सुचारू कन्वेयर लाइन संचालन सुनिश्चित करने के लिए महत्वपूर्ण है।
मजबूत पर्यावरणीय अनुकूलन क्षमता: स्टील के घटकों में आमतौर पर जंग-रोधी उपचार (गैल्वनाइजिंग, ब्लैकनिंग, पेंटिंग) की सुविधा होती है, जो उन्हें धूल, नमी और हल्के संक्षारक स्थितियों जैसे सामान्य कारखाने के पर्यावरणीय कारकों का सामना करने में सक्षम बनाता है।
लंबी सेवा जीवन और आसान रखरखाव: उत्कृष्ट पहनने का प्रतिरोध प्रतिस्थापन चक्र को महत्वपूर्ण रूप से बढ़ाता है। मॉड्यूलर डिज़ाइन पूरे रोलर को बदलने की आवश्यकता के बिना, खराब होने पर केवल स्प्रोकेट को ही बदलने की अनुमति देता है।
यह असेंबली चेन ड्राइव का उपयोग करने वाले सभी परिवहन उपकरणों में एक मूलभूत घटक है और इसका व्यापक रूप से उपयोग किया जाता है:
संचालित रोलर कन्वेयर: पैलेट, कंटेनर और भारी पार्सल के परिवहन के लिए।
स्लैट/टॉप चेन कन्वेयर: ड्राइव शाफ्ट पर स्प्रोकेट असेंबली के अंत में।
ओवरहेड चेन कन्वेयर सिस्टम: चेन के लिए ड्राइव स्प्रोकेट असेंबली के रूप में।
कृषि और निर्माण मशीनरी संदेशवाहक उपकरण: जैसे हार्वेस्टर और उत्खनन में आंतरिक संदेशवाहक तंत्र।
पैकेजिंग और सॉर्टिंग लाइनें: स्थिर, विश्वसनीय और गति-समायोज्य ड्राइव की आवश्यकता वाले अनुभाग।

विश्वसनीय पावर ट्रांसमिशन: स्टील सामग्री और सुदृढ़ीकरण प्रक्रियाएं बिजली ट्रांसमिशन में पूर्ण विश्वसनीयता सुनिश्चित करती हैं।
मजबूत भार-वहन क्षमता: मध्यम से भारी-भरकम निरंतर औद्योगिक संचालन के लिए उपयुक्त।
सटीक सिंक्रनाइज़ेशन: कन्वेयर लाइन पर एकाधिक ड्राइव बिंदुओं की सिंक्रनाइज़ कार्रवाई सुनिश्चित करता है।
लंबे समय तक चलने वाला स्थायित्व: उच्च पहनने के लिए प्रतिरोधी डिजाइन जीवनचक्र रखरखाव लागत को कम करता है।
लचीली संगतता: रोलर शाफ्ट व्यास, चेन आकार (जैसे, 08बी, 10ए, 12ए), और दांतों की संख्या के आधार पर लचीले ढंग से चुना और अनुकूलित किया जा सकता है।
चयन करते समय, इसे कन्वेयर रोलर और ड्राइव सिस्टम से मेल खाना चाहिए। मुख्य मापदंडों में शामिल हैं:
स्प्रोकेट पैरामीटर: चेन का आकार (पिच निर्धारित करता है), दांतों की संख्या (गति अनुपात और जाल की चिकनाई को प्रभावित करता है), मॉडल (सिंगल-स्ट्रैंड/डबल-स्ट्रैंड/हैवी-ड्यूटी)।
कनेक्शन पैरामीटर: बोर व्यास (रोलर शाफ्ट व्यास से मेल खाना चाहिए), कीवे आयाम या बुशिंग विशिष्टता।
प्रदर्शन पैरामीटर: स्वीकार्य टॉर्क, लागू गति सीमा।
स्थापना आवश्यकताएँ: स्प्रोकेट और रोलर शाफ्ट के बीच उचित संरेखण सुनिश्चित करें। सभी फास्टनरों (कुंजी, बुशिंग बोल्ट, सेट स्क्रू) को निर्दिष्ट टॉर्क तक कस लें। सुनिश्चित करें कि "चेन क्लाइंबिंग" या असामान्य घिसाव को रोकने के लिए स्प्रोकेट के दांत और ड्राइव चेन एक ही तल में हों।
संक्षेप में, कन्वेयर रोलर स्टील स्प्रोकेट असेंबली औद्योगिक संदेश क्षेत्र का "पावर जॉइंट" है। यह एक रोलर शाफ्ट के साथ एक मानक ट्रांसमिशन स्प्रोकेट के इंजीनियर एकीकरण का प्रतिनिधित्व करता है। अपनी मजबूत, टिकाऊ और विश्वसनीय विशेषताओं के साथ, यह एक अपरिहार्य प्रमुख यांत्रिक घटक है जो विभिन्न उत्पादन और लॉजिस्टिक्स लाइनों के निरंतर और कुशल संचालन को सुनिश्चित करता है।

यह उत्पाद संचालित रोलर कन्वेयर सिस्टम में मुख्य ड्राइविंग घटक है। यह एक कार्यात्मक मॉड्यूल है जो एक स्टील स्प्रोकेट को उच्च शक्ति, उच्च परिशुद्धता तरीके से एक कन्वेयर रोलर के शाफ्ट अंत के साथ एकीकृत करता है। इसका मुख्य कार्य कुशलतापूर्वक और विश्वसनीय रूप से ड्राइव श्रृंखला द्वारा प्रेषित शक्ति को रोलर की घूर्णी गति में परिवर्तित करना है, जिससे कन्वेयर बेल्ट या सीधे प्रोपेलिंग सामग्री को चलाया जा सके।

स्टील स्प्रोकेट और ट्यूब वेल्डिंग प्रक्रिया के उपयोग से, रोलर्स अब अधिक टॉर्क संचारित कर सकते हैं और भारी भार के साथ पैलेटों का परिवहन कर सकते हैं। एक सटीक बॉल बेयरिंग इकाई पॉलिमर बेयरिंग इकाई की तुलना में अधिक वजन का समर्थन कर सकती है क्योंकि यह स्टील हाउसिंग में प्रभाव से कसकर और मजबूती से बंधी होती है।
| ट्यूब आउट व्यास | ट्यूब की मोटाई | शाफ़्ट व्यास | स्प्रोकेट मॉडल | सामग्री | सतह का उपचार |
| Φ38 | 1.2/1.5/2.0 | Φ12/Φ15 | 06बी/08बी | #45 स्टील, एसएस304 | सख्त होना, ऑक्सीकरण |
| Φ50 | 1.2/1.5/2.0 | Φ12/Φ15 | 06बी/08बी | #45 स्टील, एसएस304 | सख्त होना, ऑक्सीकरण |
| Φ60 | 1.5/2.0/2.5/3.0 | Φ12/Φ15/Φ20 | 08बी | #45 स्टील, एसएस304 | सख्त होना, ऑक्सीकरण |
| Φ76 | 2.0/2.5/3.0/3.5 | Φ12/Φ15/Φ20/Φ25 | 08बी/10ए | #45 स्टील, एसएस304 | सख्त होना, ऑक्सीकरण |
| Φ89 | 3.0/3.5/4.0 | Φ12/Φ15/Φ20/Φ25 | 10ए | #45 स्टील, एसएस304 | सख्त होना, ऑक्सीकरण |
टिप्पणियाँ: सिंगल-पंक्ति या डबल-पंक्ति स्प्रोकेट असेंबली उपलब्ध है।
यह असेंबली एक मानकीकृत या अनुकूलित कनेक्शन इकाई है जिसे विशेष रूप से औद्योगिक संदेश अनुप्रयोगों के लिए डिज़ाइन किया गया है। इसकी विशिष्ट संरचना में शामिल हैं:
स्टील स्प्रोकेट: असेंबली का मुख्य विशेषता घटक। यह आमतौर पर फोर्जिंग और मशीनिंग के माध्यम से उच्च गुणवत्ता वाले कार्बन स्टील या मिश्र धातु स्टील (जैसे, 45 # स्टील, 40 सीआर) से बनाया जाता है। दांत प्रोफ़ाइल की सटीक गणना की जाती है (उदाहरण के लिए, एएनएसआई या आईएसओ मानकों के अनुरूप) और गर्मी उपचार (शमन और तड़का) से गुजरता है, जिससे दांत की सतह को उच्च कठोरता (एचआरसी 40-55) और उत्कृष्ट पहनने और प्रभाव प्रतिरोध मिलता है।
रोलर कनेक्शन अंत: रोलर शाफ्ट अंत के डिज़ाइन के आधार पर, मुख्य कनेक्शन विधियों में शामिल हैं:
कुंजी कनेक्शन: सबसे पारंपरिक और विश्वसनीय तरीका। एक की-वे को स्प्रोकेट हब में मशीनीकृत किया जाता है, और टॉर्क को रोलर शाफ्ट पर संबंधित की-वे के साथ जोड़कर एक समानांतर कुंजी या वुड्रफ कुंजी के माध्यम से प्रेषित किया जाता है। सेट स्क्रू का उपयोग अक्सर अतिरिक्त अक्षीय निर्धारण के लिए किया जाता है।
टेपर-लॉक (बुशिंग) कनेक्शन: एक अधिक आधुनिक, बिना चाबी कनेक्शन विधि। स्प्रोकेट हब में एक पतला बोर होता है जो डबल-शंकु लोचदार झाड़ी से मेल खाता है। उच्च शक्ति वाले बोल्टों को कसने से झाड़ी रेडियल रूप से विस्तारित हो जाती है, जिससे स्प्रोकेट हब और रोलर शाफ्ट के बीच अत्यधिक स्थैतिक घर्षण पैदा होता है। यह एक उच्च-टोक़, उच्च-संकेंद्रितता, शून्य-बैकलैश कनेक्शन प्राप्त करता है और छोटी मशीनिंग सहनशीलता की भरपाई कर सकता है।
निकला हुआ किनारा कनेक्शन: हेवी-ड्यूटी अनुप्रयोगों के लिए, स्प्रोकेट को सीधे रोलर के अंतिम चेहरे पर वेल्डेड ड्राइव निकला हुआ किनारा पर बोल्ट किया जा सकता है।
एकीकृत डिज़ाइन: कुछ डिज़ाइनों में, स्प्रोकेट को बेयरिंग हाउसिंग, सीलिंग संरचना, या यहां तक कि एक पूर्ण रोलर एंड कैप के साथ एकीकृत किया जाता है, जिससे अधिक आसानी से स्थापित करने योग्य और रखरखाव योग्य "ड्राइव एंड असेंबली" बनती है।

कुशल पावर ट्रांसमिशन: स्टील स्प्रोकेट ड्राइव चेन (जैसे, रोलर चेन) के साथ कसकर चिपक जाता है, जिससे उच्च ट्रांसमिशन दक्षता और न्यूनतम ऊर्जा हानि सुनिश्चित होती है।
उच्च भार क्षमता और विश्वसनीयता: स्टील सामग्री और गर्मी उपचार प्रक्रिया यह सुनिश्चित करती है कि असेंबली सिस्टम स्टार्ट-स्टॉप चक्र और लोड विविधताओं के कारण होने वाले झटके भार और निरंतर वैकल्पिक भार का सामना कर सके। इसकी विश्वसनीयता प्लास्टिक या कच्चे लोहे के स्प्रोकेट से कहीं बेहतर है।
सटीक सिंक्रोनाइजेशन: सटीक टूथ प्रोफाइल मशीनिंग और मजबूत कनेक्शन विधियां कई रोलर्स के बीच सिंक्रोनाइजेशन की गारंटी देती हैं, जो सामग्री के गलत संरेखण को रोकने और सुचारू कन्वेयर लाइन संचालन सुनिश्चित करने के लिए महत्वपूर्ण है।
मजबूत पर्यावरणीय अनुकूलन क्षमता: स्टील के घटकों में आमतौर पर जंग-रोधी उपचार (गैल्वनाइजिंग, ब्लैकनिंग, पेंटिंग) की सुविधा होती है, जो उन्हें धूल, नमी और हल्के संक्षारक स्थितियों जैसे सामान्य कारखाने के पर्यावरणीय कारकों का सामना करने में सक्षम बनाता है।
लंबी सेवा जीवन और आसान रखरखाव: उत्कृष्ट पहनने का प्रतिरोध प्रतिस्थापन चक्र को महत्वपूर्ण रूप से बढ़ाता है। मॉड्यूलर डिज़ाइन पूरे रोलर को बदलने की आवश्यकता के बिना, खराब होने पर केवल स्प्रोकेट को ही बदलने की अनुमति देता है।
यह असेंबली चेन ड्राइव का उपयोग करने वाले सभी परिवहन उपकरणों में एक मूलभूत घटक है और इसका व्यापक रूप से उपयोग किया जाता है:
संचालित रोलर कन्वेयर: पैलेट, कंटेनर और भारी पार्सल के परिवहन के लिए।
स्लैट/टॉप चेन कन्वेयर: ड्राइव शाफ्ट पर स्प्रोकेट असेंबली के अंत में।
ओवरहेड चेन कन्वेयर सिस्टम: चेन के लिए ड्राइव स्प्रोकेट असेंबली के रूप में।
कृषि और निर्माण मशीनरी संदेशवाहक उपकरण: जैसे हार्वेस्टर और उत्खनन में आंतरिक संदेशवाहक तंत्र।
पैकेजिंग और सॉर्टिंग लाइनें: स्थिर, विश्वसनीय और गति-समायोज्य ड्राइव की आवश्यकता वाले अनुभाग।

विश्वसनीय पावर ट्रांसमिशन: स्टील सामग्री और सुदृढ़ीकरण प्रक्रियाएं बिजली ट्रांसमिशन में पूर्ण विश्वसनीयता सुनिश्चित करती हैं।
मजबूत भार-वहन क्षमता: मध्यम से भारी-भरकम निरंतर औद्योगिक संचालन के लिए उपयुक्त।
सटीक सिंक्रनाइज़ेशन: कन्वेयर लाइन पर एकाधिक ड्राइव बिंदुओं की सिंक्रनाइज़ कार्रवाई सुनिश्चित करता है।
लंबे समय तक चलने वाला स्थायित्व: उच्च पहनने के लिए प्रतिरोधी डिजाइन जीवनचक्र रखरखाव लागत को कम करता है।
लचीली संगतता: रोलर शाफ्ट व्यास, चेन आकार (जैसे, 08बी, 10ए, 12ए), और दांतों की संख्या के आधार पर लचीले ढंग से चुना और अनुकूलित किया जा सकता है।
चयन करते समय, इसे कन्वेयर रोलर और ड्राइव सिस्टम से मेल खाना चाहिए। मुख्य मापदंडों में शामिल हैं:
स्प्रोकेट पैरामीटर: चेन का आकार (पिच निर्धारित करता है), दांतों की संख्या (गति अनुपात और जाल की चिकनाई को प्रभावित करता है), मॉडल (सिंगल-स्ट्रैंड/डबल-स्ट्रैंड/हैवी-ड्यूटी)।
कनेक्शन पैरामीटर: बोर व्यास (रोलर शाफ्ट व्यास से मेल खाना चाहिए), कीवे आयाम या बुशिंग विशिष्टता।
प्रदर्शन पैरामीटर: स्वीकार्य टॉर्क, लागू गति सीमा।
स्थापना आवश्यकताएँ: स्प्रोकेट और रोलर शाफ्ट के बीच उचित संरेखण सुनिश्चित करें। सभी फास्टनरों (कुंजी, बुशिंग बोल्ट, सेट स्क्रू) को निर्दिष्ट टॉर्क तक कस लें। सुनिश्चित करें कि "चेन क्लाइंबिंग" या असामान्य घिसाव को रोकने के लिए स्प्रोकेट के दांत और ड्राइव चेन एक ही तल में हों।
संक्षेप में, कन्वेयर रोलर स्टील स्प्रोकेट असेंबली औद्योगिक संदेश क्षेत्र का "पावर जॉइंट" है। यह एक रोलर शाफ्ट के साथ एक मानक ट्रांसमिशन स्प्रोकेट के इंजीनियर एकीकरण का प्रतिनिधित्व करता है। अपनी मजबूत, टिकाऊ और विश्वसनीय विशेषताओं के साथ, यह एक अपरिहार्य प्रमुख यांत्रिक घटक है जो विभिन्न उत्पादन और लॉजिस्टिक्स लाइनों के निरंतर और कुशल संचालन को सुनिश्चित करता है।